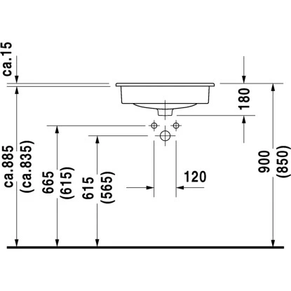
Das Duravit Einbauwaschbecken D-Code bietet auf 54,5 cm Breite eine komfortable Benutzung und ist in einem klassisch edlen Look gehalten. Das Waschbecken ist für den Einbau von oben und für Holzkonsolen geeignet.
Hochwertiges Einbauwaschbecken mit runden Ecken
Das klassische Design erlaubt die Kombination des Waschbeckens mit einer Vielzahl an Badmöbeln, wodurch Sie Ihr Badezimmer vollständig individualisieren können. Vor allem Waschtischunterbauten von Duravit passen ideal zu dem Waschbecken und schaffen eine harmonische Atmosphäre im eigenen Badezimmer.
Waschtisch höchster Qualität
Die hochwertige Sanitärkeramik wirkt wärmeisolierend und fühlt sich bei Hautkontakt nie unangenehm kalt an. Durch die glatte Oberfläche ist diese nicht nur besonders robust, sondern Schmutz und Ablagerungen lassen sich leichter abwischen. Das Duravit Handwaschbecken ist auf Langlebigkeit ausgelegt und strotzt auch Kratzern.
Vorgefertigter Überlauf und Hahnloch
Für die Platzierung einer Einlocharmatur befindet sich auf mittig auf der Oberseite ein vorgefertigtes Hahnloch. Unterhalb der Hahnlochbank findet sich zudem der Überlauf, der überschüssiges Wasser sicher ablaufen lässt und ein Überlaufen verhindert. Das nötige Befestigungsmaterial für den Einbau in Holzkonsolen finden Sie im Lieferumfang.
Die Armatur ist nicht im Lieferumfang enthalten.















Rezensionen
Es gibt noch keine Rezensionen.